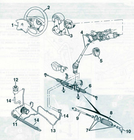
HUILE D'ASSISTANCE
Capacité du circuit : 1,3 litre.
Préconisation : Total Fluide ATX (Peugeot/Citroën) ou Tutela Gl/A (Fiat/Lancia).
Périodicité d'entretien : contrôle du niveau tous les 20 000 km.

Direction
Couples de serrage
Méthodes et conseils pratiquesCouples de serrage
Tube de vidange : 4.
Bouchon de remplissage : 2,4.
Bouchon de niveau : 2,4.
Fixations du couvercle de distributeur hydraulique : 1.
Fixations du bloc hydraulique :
1r e phase : 0,9.
2e phase : desserrer les vis.
3e phase : 0,8.
Carter de bloc hydrau ...
Portes latérales coulissantes électriques
Ouverture
/ Fermeture à partir de l'avant
Appuyez sur la commande correspondante. Un signal sonore
accompagne l'ouverture et la fermeture de la porte.
Ouverture
/ Fermeture à partir du rang 2
Appuyez sur la commande correspondante.
Ouverture
/ Fermeture &agrav ...
Schémas électriques du système de gestion moteur
LÉGENDES
BB01. Batterie.
BM34. Boîtier fusible habitacle.
BSI1. Calculateur habitacle.
C001. Prise de diagnostic.
CAOO. Contacter à clé.
0004. Combiné d'instruments.
1005. Relais s'interdiction de démarrage.
1010. Démarreur.
1020. Alternateur. ...