CONTRÔLE ET RÉGLAGE DE LA GÉOMÉTRIE
Sur l'ensemble des angles de la géométrie des trains, seul le parallélisme avant est réglable. En cas de relevé de valeurs hors tolérances sur les angles non réglables, contrôler l'état des éléments constitutifs des trains.
Le contrôle ou réglage de la géométrie du train avant ou arrière doit s'effectuer véhicule en assiette de référence.
RÉGLAGE DU PARALLELISME AVANT
Le parallélisme se règle par l'allongement ou le raccourcissement symétrique de la longueur des tiges filetées apparentes des biellettes de direction (figure 6-13).
'Jn tour
de biellette = 2 mm environ. |

Figure 6-13

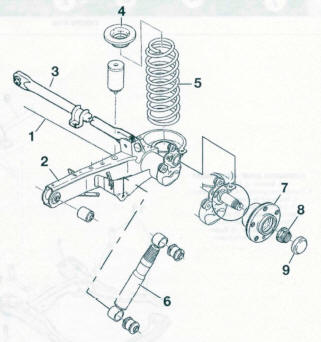
Suspension arrière train arrière
Suspension arriére
FriendsLe signal de détresse
Appuyez sur le bouton, les feux
indicateurs de direction clignotent.
Il peut fonctionner contact coupé.
L'allumage automatique des
feux de détresse
Équipement conditionné suivant
la destination : lors d'un freinage
d'urgence, en fonction de la
décé ...
Sièges arrière latéraux
Réglage longitudinal
Soulevez la barre A et faites coulisser
le siège vers l'avant ou vers l'arrière.
Réglage de l'inclinaison du dossier
Actionnez le levier B vers le haut et
réglez l'inclinaison désirée.
Relâchez le levier pour ver ...
Communication PEUGEOT met un site internet à
votre disposition
Les caractéristiques techniques, équipements et accessoires
peuvent évoluer en cours d'année. Afin de vous renseigner sur ces nouvelles
données, consultez gratuitement, sur le site Internet SERVICE BOX, le chapitre
"Les Dernières informations".
s&eacu ...